HA17358中文資料 <<提示:容源電子網為廣大電子愛好者提供電路圖專題網站“容源電路圖網”,歡迎訪問。匯聚大量電路圖與你共同分享。》
ha17358是日本日立公司產品,其中含有二級運算放大器,內部電路下面將介紹, <<提示:容源電子網為廣大電子愛好者提供電路圖專題網站“容源電路圖網”,歡迎訪問。匯聚大量電路圖與你共同分享。》
ha17358引腳功能:
|
引腳 |
功能 |
|
1 |
運放A輸出 |
|
2 |
運放A反相輸入 |
|
3 |
運放A同相輸入 |
|
4 |
地 |
|
5 |
運放B同相輸入 |
|
6 |
運放B反相輸入 |
|
7 |
運放B輸出 |
|
8 |
電源Vcc |
內部結構圖:
溫馨提示:將鼠標指針放在圖片上,滾動鼠標可以動態改變圖片大小,方便分析電路圖。
ha17358應用電路:
該應用電路是一個塑料管熱塑焊加熱控溫器電路,、電路圖如下:
溫馨提示:將鼠標指針放在圖片上,滾動鼠標可以動態改變圖片大小,方便分析電路圖。
容-源-電-子-網-為你提供技術支持
本文地址:http://www.flswjt.cn/ic/17358_62.shtml
本文標簽:
猜你感興趣:
差分晶振電路圖如何制作 影響差分晶振價格的原因
其實,對于差分晶振電路圖制作方式,一般建議請專業的人士制作即可,現在網絡上有很多可以制作差分晶振電路圖公司,在這些方面選擇的時候應該多方面的了解的。然后選擇適合自己的公司。對于公司的選擇一般采用對比方式選擇,比如對比產品價格、對比公司服務以及對比的自己公司的需求,然后選擇適合自己的公司制作。
關鍵詞: 所屬欄目:電子基礎
常見電子電路圖中英文對照表及解釋
常見電子電路圖中英文對照表及解釋
經常查看電子電路圖的朋友都知道一些常用的術語都是用英文簡寫的,從而減少電路圖中的注釋,可以讓電路圖看上去很簡潔明了,那么有些人
關鍵詞: 所屬欄目:電子基礎
雙電源供電電路圖
功率放大電路中的前置放大器,一般都采用雙電源供電,即對稱的正負電源供電。業余制作時,會碰到手頭無雙電源的情況,這就給制作帶來困難。本例介紹利用TDA2030將單電源轉換為雙電源給前
關鍵詞: 所屬欄目:電路圖
1V升壓到3V的芯片,1V升壓3.3V電路圖
1V升壓到3V和1V升壓3.3V的升壓芯片?
PW5100 是一款效率很大、低功耗、低紋波、高工作頻率的 PFM 同步升壓 DC/DC 變換器。輸出電壓可選固定輸出值,從 3.0V,3.3V, 5.
關鍵詞: 所屬欄目:元器件知識
12V轉5V降壓芯片,12V轉3.3V穩壓芯片電路圖
12V轉5V應用中,大多要求會輸出電流高的,穩壓LDO就不能滿足了,需要使用DC-DC降壓芯片來持續穩壓5V,輸出電流1000MA,2000MA,3000MA,5000MA等。不同的輸出電流可以選擇適
關鍵詞: 所屬欄目:元器件知識
5V降壓轉3.3V,5V轉3V電路圖芯片
5V降壓轉3.3V和3V都是低壓,兩個之間的壓差效率,所以效率和工作溫度這塊都會比較優秀,輸入和輸出的最低壓差外是越小越好。
如果電流比較小,可以用LDO:PW6566 系列是
關鍵詞: 所屬欄目:元器件知識
3.7V升壓5V,3.7V轉5V電路圖芯片
鋰離子電池在如今是廣泛應用存在我們生活中的方方面面的電子產品中。如,電子玩具,美容儀,醫療產品,智能手表,手機,筆記本,電動汽車等等非常多。
鋰電池3.7V
關鍵詞: 所屬欄目:元器件知識
5V升壓12.6V應用電路圖
產品概述
PW4053 是一款 5V 輸入,最大 1.2A 充電電流,支持三節鋰離子電池的升壓充電管理 IC。PW4053 集成功率 MOS,采用異步開關架構,使其在應用時僅需極少的外圍器件,
關鍵詞: 所屬欄目:元器件知識
5V升壓8.4V,5V轉8.4芯片電路圖
PW5300是電流模式升壓DC-DC轉換器。其內置0.2Ω功率MOSFET的PWM電路使該穩壓器具有效高的功率效率。內部補償網絡還可以程度地減少了6個外部元件的數量。誤差放大器的同
關鍵詞: 所屬欄目:元器件知識
簡易自制金屬探測器電路圖,只需少量元器件即可制作成
金屬探測器電路圖 金屬探測器可應用很多領域,當然,金屬探測器根據工作原理的不同,也可以分為很多種的類型電路,今天我們主要介紹的是用集成電路555制作的金屬探測器,由
關鍵詞: 所屬欄目:電路圖
PW2558芯片DC/DC應用電路圖及參數
說明
PW2558開發了一種高效的異步降壓DC/DC調節器輸出0.8A電流。集成電路采用電流模式自適應恒關斷時間控制。這個PW2558可在4.5V至55V的寬輸入電壓范圍內工作,并將主開關
關鍵詞: 所屬欄目:元器件知識
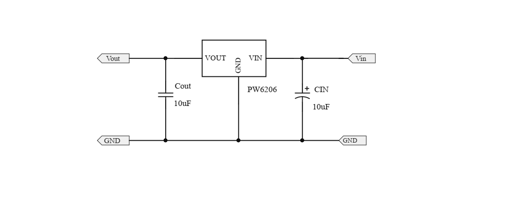
PW6206降壓調節參數及應用電路圖
一般說明
PW6206系列是一款高精度,高輸入電壓,低靜態電流,高速,低壓降線性穩壓器具有高紋波抑制。在VOUT=5V&VIN=7V時,輸入電壓高達40V,負載電流高達300mA,采用BCD工
關鍵詞: 所屬欄目:元器件知識
PW2052 DC-DC降壓調節器電路圖
一般說明 中英翻譯篇,翻譯部分
PW2052是一種高效率、高頻同步DC-DC降壓調節器。100%的人占空比特性提供低壓差操作,延長便攜式系統的電池壽命。內部同步開關提高了效率,
關鍵詞: 所屬欄目:元器件知識
2V升5V的升壓芯片,兩款芯片電路圖
2V的輸入電壓,是可以用來做5V輸出的升壓電路,但是2V的供電設備很少,不知道還有什么東西是2V電壓的,還需要升壓到5V的電路系統。
兩款2V升5V的芯片電路圖: PW5100升壓芯
關鍵詞: 所屬欄目:元器件知識
2.4V升5V芯片,8uA功耗,低功耗升壓電路圖
2.4V升5V,可用于USB拔插充電,也可以用于把兩節鎳氫電池2.4V升壓到5V,的固定輸出穩壓電壓值,同時輸出電流可達1A,0.5A等
首先是先說下0.5A的這款的話,是比較低功耗
關鍵詞: 所屬欄目:元器件知識
1V升5V芯片,1V升5V電路圖規格書
如果需要1V輸入的話,可以看到PW5100的最低低壓輸入0.7V,就可以達到要求了。
同時PW5100也具有較大的輸入開關電流1.5A,可以滿足輸出的要求和功能。
對于1V的供電來說
關鍵詞: 所屬欄目:元器件知識
1.5V升5V芯片,1.5V升5V電路圖規格書
常用的 5號,7號等 1.5V 干電池滿電電壓在 1.6V 左右,干電池輸出耗電電壓在 1V。適用PW5100,在 0.9V 時還能輸出,徹底榨干干電池的電量。1.5V 升5V 的芯片:PW51
關鍵詞: 所屬欄目:元器件知識
1.5V升3V芯片和電路圖,DC-DC升壓IC
1.5V升3V的升壓芯片,3V給LED供電,或者單片機模塊供電等。
PW5200A工作頻率為1.4MHZ。輕載時自動PWM/PFM模式切換,提高效率。
PW5200A能夠提供2.5V和5V之間的可調輸出電
關鍵詞: 所屬欄目:元器件知識
2V轉3V,2.4V轉3V的電源芯片電路圖
兩節鎳氫電池1.2V+1.2V是2.4V的標稱電壓,2.4V可以轉3V輸出電路應用。
在2.4V轉3V和2V轉3V的應用中,輸出電流可最大600MA。 2V的低壓輸入,可以采用PW5100低壓輸入專
關鍵詞: 所屬欄目:元器件知識
鎳氫可充電電池2.4V轉3.3V,2V轉3.3V穩壓供電輸出電路
PW5100可以實現2.4V轉3.3V,2V轉3.3V的穩壓電源電路,輸出電流500MA.靜態電流10uA,SOT23-5封裝。輸出紋波低,輕載性能高(輕載電感推薦6.8UH-10UH).PW5100 是一款高
關鍵詞: 所屬欄目:元器件知識