在介紹電磁爐維修方法之前,先了解一下電磁爐,電磁爐主要由線圈盤、主控電路板、風扇、按鍵顯示面板、陶瓷面板、上下殼等組成,其中主控電路板主要主要元器件有濾波電容、諧振電容、抗干擾電容、大功率IGBT開關管、整流橋、互感線圈、蜂鳴器、變壓器、驅動芯片、LM339、8050/8550三極管等。
在簡單介紹一下電磁爐原理,電磁爐的基本工作原理是:爐盤線圈工作電壓約300V左右,300V的直流高壓是220V交流電經過整流橋整流得到的,220V交流整流后最高電壓為220V*1.414≈311V。其高壓主回路是220VAC經過保險絲、電流互感器、電感、爐盤線圈、IGBT,通過控制IGBT開關管導通/斷開來控制爐盤線圈是否工作。IGBT控制方式一般采用PWM調制,通過調節PWM的占空比來調節電磁爐的功率,其它功能還包括功率控制、溫度控制、無鍋檢測、電壓報警、電流過大報警、IGBT溫度過高報警、鍋底溫度過高報警、風扇故障報警等,其基本原理框圖如下圖所示。

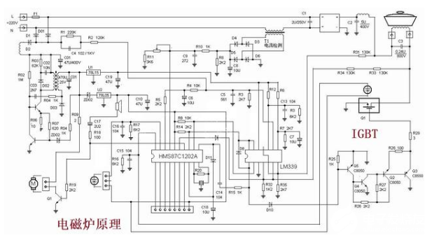
下圖為某款電磁爐詳細原理圖,其主要的電源電壓有輸入端220V,內部電壓有300V,電磁爐功率主回路,給爐盤線圈供電;5V,控制芯片、蜂鳴器等供電;18V或15V或12V;不同型號電磁爐其電壓不同,主要用于驅動IGBT開關管以及為風扇提供電源。

了解了電磁爐的基本原理之后,下面重點說一下18V電源的原理,以其中一款電磁爐原理進行詳細說明,其原理如下圖所示,18V電源是由220V交流電經過變壓器進行降壓,再通過一個整流二極管進行半波整流,然后經過220μF/35V的電容進行濾波,最后通過串聯510Ω的限流電阻再并聯18V的穩壓管,將最后輸出電壓穩定在18V,有的電磁爐直接使用三端穩壓器7818進行穩壓。
同理,5V電源的原理也類似,如上圖,經過變壓器次級線圈降壓后的低壓交流電經過4個二極管組成的橋式整流電路整流,然后經過470μF/25V的電容濾波,最后通過三端穩壓器7805進行降壓穩壓得到5V電源。
那么沒有具體電路板原理圖的情況下怎么快速找到18V電源部分呢?如下圖,緊貼散熱器的那兩個元器件,三個引腳的為IGBT開關管,四個引腳的為整流橋,找到小功率變壓器,這就是提供5V、18V電源的變壓器,因此附近這部分電路就是5V、18V電源電路,如下圖紅圈標識的地方。容-源-電-子-網-為你提供技術支持
本文地址:http://www.flswjt.cn/dz/25/15859031363701.shtml
本文標簽:
猜你感興趣:
VK1640電磁爐/冰箱LED 高壓驅動,數碼管LED顯示屏驅動
VK1640是一種數碼管或點陣LED驅動控制專用芯片,內部集成有數據鎖存器、LED 驅動等電路。SEG腳接LED陽極,GRID腳接LED陰極,可支持8SEGx16GRID的點陣LED顯示。適用于小型LED顯示屏驅動。采用SOP28的封裝形式。
關鍵詞: 所屬欄目:元器件知識
案例分享:家用電磁爐元器件散熱方式與導熱材料應用
兆科電子的熱管理材料能夠很好地解決電磁爐電路板和線圈盤等發熱元器件在復雜環境的可靠性和電磁兼容性問題。鑒于電磁爐對導熱材料的高導熱需求,兆科主要推薦的材料是導熱硅膠片和導熱硅脂產品來解決散熱方案。
關鍵詞: 所屬欄目:電源電路
美的電磁爐滴滴響不加熱維修方法
美的電磁爐還是一個大品牌,使用美的電磁爐的用戶也很多,電磁爐使用方便但也會出現一些故障,而美的電磁爐滴滴響不加熱就是常見故障之一,下面主要介紹一下美的電磁爐滴滴響不加熱維修方法。從實例講解維修方法,希望對大家有幫助。
關鍵詞:電磁爐電路圖 所屬欄目:家電維修
分享電磁爐維修口訣及技巧
在廚房電器中,電磁爐是不可缺少的,幾乎家家都有電磁爐,特別是喜歡吃火鍋的朋友,電磁爐是必不可少的家電電器。電磁爐在使用過程中會出現很多故障,今天就為大家介紹電磁爐的維修技巧及口訣。
關鍵詞:電磁爐電路圖 所屬欄目:家電維修
電磁爐哪個牌子好,最好的電磁爐推薦
電磁爐的時候現在已經是非常普遍了,對于人們的生活也是非常重要的,所以現在市場上的品牌也是非常多,關鍵是電磁爐哪個牌子好呢,這在選擇之前是要弄清楚的。所以下面就跟
關鍵詞: 所屬欄目:其他文章
在電磁爐中LM339實際應用電路圖
在電磁爐中LM339實際應用電路圖
LM339集成塊內部裝有四個獨立的電壓比較器,該電壓比較器的特點是:1)失調電壓小,典型值為2mV;2)電源電壓范圍寬,單電源為2-36V,雙電
關鍵詞:電磁爐電路圖 所屬欄目:集成塊資料
電磁爐IGBT管好壞的檢測方法
電磁爐IGBT管好壞的檢測方法IGBT管的好壞可用指針萬用表的Rxlk擋來檢測,或用數字萬用表的“二極管”擋來測量PN結正向壓降進行判斷。檢測前先將IGBT管三只引腳短
關鍵詞:電磁爐電路圖 所屬欄目:元器件知識
電磁爐IBGT代換大全
電磁爐IGBT代換大全IGBT場效應管參數 (1) SGW25N120----西門子公司出品,耐壓1200V,電流容量25℃時46A,100℃時25A,內部不帶阻尼二極管,所以應用時須配套6A/1200V以上的快速恢
關鍵詞:電磁爐電路圖 所屬欄目:家電維修
電磁爐維修時電燈泡的利用
這套觀“燈”維修電磁爐的簡易方法參見下圖,拆開多功能插座,將連在插片上的硬線拆掉,再將白熾燈(俗稱燈泡)燈座的兩根弓f線分別接至斷開的兩端,然后安裝
關鍵詞:電磁爐電路圖 所屬欄目:家電維修
無圖紙維修電磁爐經驗分享
九陽JYC-21ES10電磁爐通電無反應維修實例
電磁爐的完整電路圖
電磁爐屢壞IGBT維修方法
電磁爐IGBT管型號代換手冊
電磁爐故障代碼大全
無
關鍵詞: 所屬欄目:電子基礎
美的電磁爐維修實例大全
轉載:美的電磁爐開關電源芯片FSD200代換
電磁爐的原理與維修經驗分享
美的電磁爐維修故障代碼_SF164/174/184/194/204/214
電磁爐原理圖