中C1,C2分別是Q1,Q2的GD結電容,左邊上下兩個波形分別是Q1,Q2的柵極驅動波形。我們先從t1-t2死區時刻開始分析,從圖中可以看出這段時間為死區時間,也就是說這段時間內兩管都不導通,半橋中點電壓為母線電壓的一半,也就是說C1,C2充電也是母線電壓的一半。當驅動信號運行到t2時刻時,Q1的柵極變為高電平,Q1開始導通,半橋中點的電位急劇上升,C2通過母線電壓充電,充電電流通過驅動電阻Rg和驅動電路放電管Q4,這個充電電流會在驅動電阻Rg和驅動電路放電管Q4上產生一個毛刺電壓,請看圖中t2時刻那條紅色的豎線。如果這個毛刺電壓的幅值超過了Q2的開啟電壓Qth,半橋的上下兩管就共通了。有時候上下兩管輕微共通并不一定會炸管,但會造成功率管發熱,在母線上用示波器觀察也會看到很明顯的干擾毛刺。只有共通比較嚴重的時候才會炸管。還有一個特性就是母線電壓越高毛刺電壓也越高,也越會引起炸管。

高頻逆變器后級電路圖二:
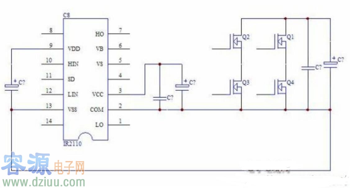
13腳的邏輯地和2腳的驅動地在布線時要分開來走,邏輯地一般要接到5V濾波電容的負端,再到高壓濾波電容的負端,驅動地一般要接到12-15V驅動電源的濾波電容的負端,再到兩個低端高壓MOS管中較遠的那個MOS的源極。如下圖:

在正弦波逆變器中因為載波的頻率較高,母線電壓也較高,自舉二極管要使用高頻高壓的二極管。因為載波占空比接近100%,自舉電容的容量要按照基波計算,一般需要取到47-100uF,最好并一個小的高頻電容。
高頻逆變器后級電路圖三:

圖1電路中,由芯片IC1及其外圍電路、三極管VT1、VT3、MOS功率管VT2、VT4以及變壓器T1組成12V直流變換
高頻逆變器后級電路圖四:

圖1電路中IC1的15腳外圍電路的R1、C1組成上電軟啟動電路。上電時電容C1兩端的電壓由0V逐步升高,只有當C1兩端電壓達到5V以上時,才允許IC1內部的脈寬調制電路開始工作。當電源斷電后,C1通過電阻R2放電,保證下次上電時的軟啟動電路正常工作。
IC1的15腳外圍電路的R1、Rt、R2組成過熱保護電路,Rt為正溫度系數熱敏電阻,常溫阻值可在150Ω~300Ω范圍內任選,適當選大些可提高過熱保護電路啟動的靈敏度。
容-源-電-子-網-為你提供技術支持本文地址:http://www.flswjt.cn/dianlutu/15430283372616.shtml
本文標簽:
猜你感興趣:
自制最簡單12v轉220v逆變器制作及電路圖(車載大功率)
自制最簡單12v轉220v逆變器制作及電路圖(車載大功率);在有直流低電源而沒有220V交流電的情況下,逆變器是最佳的轉換裝置,很多場合都適用,比如喜歡釣魚的朋友,可以用逆變器為自己的用電設備使用。本文介紹一款應用CW3525A集成塊制作的最簡單12v轉220v逆變器及電路圖。電路很簡單,制作也方便,適用性很強。
關鍵詞:逆變器高頻逆變器 所屬欄目:逆變器電路圖
自制12伏變220伏的逆變器、電路圖(大功率200W)
自制12伏變220伏的逆變器、電路圖(大功率200W)利用晶閘管電路把直流電轉變成交流電,這種對應于整流的逆向過程,定義為逆變。
例如:應用晶閘管的電力機車,當下坡時使
關鍵詞:逆變器高頻逆變器 所屬欄目:逆變器電路圖
最簡單大功率500W晶體管逆變器電源電路圖
最簡單大功率500W晶體管逆變器電源電路圖
逆變器主要作用就是將低電壓轉換成高電壓,常見的就是要轉換成交流220V-50Hz,下面為大家介紹一個最簡單大功率的逆變器,電
關鍵詞: 所屬欄目:逆變器電路圖
簡單自制tl494逆變器電路圖50hz輸出,大功率
簡單自制tl494逆變器電路圖50hz輸出,大功率輸出,
逆變器(inverter)是把直流電能(電池、蓄電瓶)轉變成交流電(一般為220v50HZ正弦或方波)。應急電源,一般是把直流
關鍵詞:逆變器穩壓電路 所屬欄目:逆變器電路圖
簡單自制tl494逆變器電路圖50hz輸出,大功率
簡單自制tl494逆變器電路圖50hz輸出,大功率輸出,
逆變器(inverter)是把直流電能(電池、蓄電瓶)轉變成交流電(一般為220v50HZ正弦或方波)。應急電源,一般是把直流
關鍵詞:逆變器穩壓電路 所屬欄目:逆變器電路圖
車載12v轉220v逆變器電路圖(CW3525A應用電路)
變器電路圖(CW3525A應用電路)車載12v轉220v逆 本車載逆變器電路實際上是一個數字式準正弦波DC/AC逆變器,具有以下特點:(1)采用脈寬調制式開關電源電路,轉換效率高
關鍵詞: 所屬欄目:逆變器電路圖
555逆變驅動電路圖-最簡單12v轉220v逆變器制作
555逆變驅動電路圖-最簡單12v轉220v逆變器制作
關鍵詞: 所屬欄目:逆變器電路圖
ne555+13005逆變電路圖
ne555+13005逆變電路圖
逆變器電路圖有很多種,采用不同的控制方式可以得到不同的電路及輸出功率及頻率,本文介紹的是用13005逆變電路圖,13005主要作用是功率開關管,1
關鍵詞: 所屬欄目:電源電路
大功率12V轉220V逆變器電路圖(500W)
大功率12V轉220V逆變器電路圖(500W) 這是逆變器電路的 500W輸出。它將12VDC轉換為220V 50Hz。您可以輕松,廉價地構建它。 朋友喜歡這個。因為喜歡在戶外工作,或在必要
關鍵詞: 所屬欄目:逆變器電路圖
13005逆變電路圖
13005逆變電路圖:逆變器電路圖有很多種,采用不同的控制方式可以得到不同的電路及輸出功率及頻率,本文介紹的是用13005逆變電路圖,13005主要作用是功率開關管,13005決定輸出的功率(一般制作逆變器都希望輸出功率大更好)。電路前級主要是用NE555及13005控制,后級很簡單,就是整流加濾波得到直流電源。13005逆變電路圖如下:
關鍵詞:逆變器高頻逆變器 所屬欄目:逆變器電路圖
1.5v轉5v逆變器電路圖
1.5v轉5v逆變器電路圖
在許多情況下,能夠將1.5V轉換為5V非常方便。然后,您可以使用單節AA或AAA電池為微控制器或LED供電。由于具有特殊的IC,如MAXIM MAX1674或MAX7176
關鍵詞:逆變器 所屬欄目:逆變器電路圖
純正弦波逆變器電路圖制作過程(50Hz)
純正弦波逆變器電路圖制作過程(50Hz)
逆變器可以按照它的輸出波形進行分類,分為方波逆變器、修正波逆變器和正弦波逆變器。 因此正弦波逆變器的定義就是輸出波形為
關鍵詞:逆變器 所屬欄目:逆變器電路圖
兩個三極管構成簡易逆變器電路圖(傻瓜逆變器電路圖)
在眾多逆變器電路圖中,想要找一個簡易的電路圖很多難找,今天本人把自己收藏的一個超簡易逆變器電路圖分享給大家,電子元器件非常少,制作也簡單,應用兩個三極管就可以搞定。詳細介紹請閱讀下文。
關鍵詞:逆變器 所屬欄目:逆變器電路圖
簡易自制家用逆變器電路圖
簡易自制家用逆變器電路圖一: 電路見圖1。當把開關K1打向“逆變”位置時,BG1導通,由時基電路NE555及外圍元件組成的無穩態多諧振蕩器開始振蕩,
關鍵詞:逆變器 所屬欄目:逆變器電路圖
高頻逆變器與低頻逆變器有什么區別
高頻逆變器與低頻逆變器有什么區別
1、按照電氣和電子工程師學會(IEEE)制定的頻譜劃分表,低頻頻率為30~300kHz,中頻頻率為300~3000kHz,高頻頻率為3~30MHz,頻率范
關鍵詞:逆變器高頻逆變器 所屬欄目:逆變器電路圖
高頻逆變器的優缺點及分類
高頻逆變器的優缺點 高頻逆變器采用的是體積小,重量輕的高頻磁芯材料,從而大大提高了電路的功率密度,使得逆變電源的空載損耗很小,逆變效率得到了提高。通常高頻逆變
關鍵詞:逆變器高頻逆變器 所屬欄目:逆變器電路圖
正弦波逆變器電感發熱原因
正弦波逆變器電感發熱原因 正弦波逆變器電感發熱嚴重說明可能存在下面兩個問題:電感上的損耗過大和散熱條件不好;所以解決發熱嚴重的問題最好的辦法是對癥下藥,從損耗的
關鍵詞:逆變器線圈高頻逆變器 所屬欄目:電子基礎
直流24v轉12v電路圖加自制方法
直流24v轉12v電路圖加自制方法
如圖所示,直流24v轉12v電路圖只不過是一個集成的可調電壓調節器,它可以并聯作用于一組功率晶體管。可以說這些晶體管執行重負荷,而負責
關鍵詞:逆變器穩壓電源DC-DC電路 所屬欄目:逆變器電路圖
12v轉220v轉換器如何制作經驗分享(圖文)
12v轉220v轉換器如何制作經驗分享
如逆變器電路圖所示,它用作IC1中包含的振蕩器級非穩態多諧振蕩器,CMOS 4047(此邪教系列40xx系列)通過改變R1微調器的電阻值(220 k總
關鍵詞:逆變器 所屬欄目:逆變器電路圖
自制低成本高效率的家用逆變器
自制低成本高效率的家用逆變器
關聯:逆變器制作,逆變器電路自制低成本高效率的家用逆變器許多家用逆變電路簡單易制、效率不高.有的優質高效卻不易自制。本文介
關鍵詞:逆變器 所屬欄目:逆變器電路圖