LM117/LM317是美國國家半導體公司的三端可調正穩壓器集成電路。我國和世界各大集成電路生產商均有同類產品可供選用,是使用極為廣泛的一類串聯集成穩壓器。它的使用非常簡單,僅需兩個外接電阻來設置輸出電壓。此外它的線性調整率和負載調整率也比標準的固定穩壓器好。
LM117/LM317 內置有過載保護、安全區保護等多種保護電路。通常LM117/LM317 不需要外接電容,除非輸入濾波電容到 LM117/LM317 輸入端的連線超過6 英寸(約 15 厘米)。使用輸出電容能改變瞬態響應。調整端使用濾波電容能得到比標準三端穩壓器高的多的紋波抑制比。
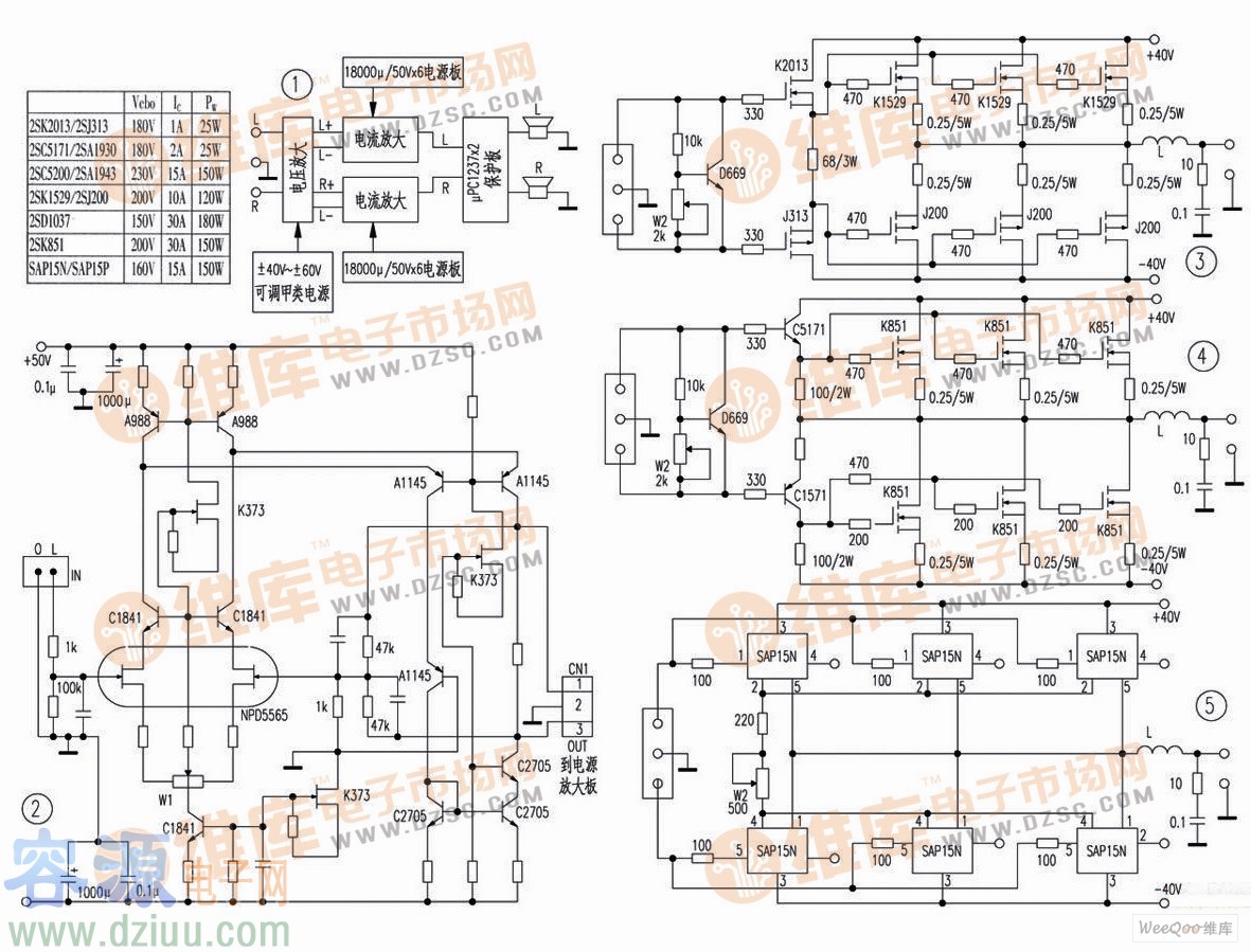
下面是采用三端穩壓LM317制作的甲類功放電路。

本文地址:http://www.flswjt.cn/gongfangdianlu/y/LM317-3437.shtml
本文標簽:
猜你感興趣:
UV-AR符合鐵路應用EN 50317-2002標準,可用于動車組、
弓網動態接觸力是評估弓網受流質量、接觸網狀態和滑板磨耗情況、診斷接觸網局部缺陷的關鍵參數。考慮現有接觸力檢測方法存在的不足與缺陷,提出了一種基于光纖應變傳感器測定接觸力的方法。
關鍵詞: 所屬欄目:傳感器技術
簡易的20W單端純甲類功放電路圖
簡易的20W單端純甲類功放電路圖 如圖為簡易的20W單端純甲類功放電路圖。核心電路是由兩只BC559組成的差分放大電路,22K對地電阻為三極管的偏置電阻,它的大小同時決定了整個功放的輸入電阻。8.2K電阻是差分對管的
關鍵詞: 所屬欄目:音頻功放電路
用EL156構建25W單端甲類膽機電路
用EL156構建25W單端甲類膽機電路 如圖為用EL156構建25W單端甲類膽機電路。本機為雙聲道立體聲功放,圖中僅給出一個聲道的放大電路,另一聲道完全相同。 從圖中可以看出,本機采用兩級放大。前級用ECF80(國產型
關鍵詞: 所屬欄目:音頻功放電路
制作6p3p單端甲類膽機的設計
一、線路簡介 SRPP電路(亦稱并聯調整式推挽電路)是一種深受推崇的電路。該電路具有失真小、噪聲低、頻響寬等特點,是目前電子管功放電路中常見的優秀線路之一。 電路如上圖所示。VT1、VT2直流通路串聯,
關鍵詞: 所屬欄目:音頻功放電路
15W甲類分立元件功率放大器電路原理圖
功率放大器電路是使用雙20V電壓電源,提供15W的不失真功率在8歐姆負載的時候。Q1 經營在共同的放射器, 輸入信號通過對偏壓管子包括Q8, Q9 、D6 、D13 和D14 。Q8 和Q9 提供恒流偏壓, 產品階段減到最小由分離darl
關鍵詞: 所屬欄目:音頻功放電路
純甲類功放電路圖及原理
該電路由VT1、 VT2組成差動放大電路,每管靜態電流約為0.5mA,R3為VT1的集電極負載電阻,VT1與推動級VT4之間為直接耦合。輸出級由兩只型號相同的 NPN型大功率晶體管VT5、VT6組成,而沒有采用互補對稱推挽電路。
關鍵詞: 所屬欄目:音頻功放電路
靚聲甲類功放電路原理圖
該電路具有如下特點:1.采用板塊積木式組合,可根據自身經濟狀況適當增減。2.電壓放大部分與電流放大部分分開設計、布版,便于燒友采用高、低壓兩組電源分開供電,可選擇眾多特色的后級電路搭配,也便于安裝固定
關鍵詞: 所屬欄目:音頻功放電路
超甲類功放電路
功放電路由電壓放大電路、緩沖級、電流放大級、超甲類偏置電路四部分組成,電流放大級采用AP500A,其耐高壓并且自動調零。VT3、VT4組成緩沖放大器,它能提高AP500A的驅動能力,減少衰減作用。超甲類偏置功放具有
關鍵詞: 所屬欄目:音頻功放電路
三端穩壓器引腳判斷方法
三端穩壓器引腳判斷方法
三端穩壓器顧名思義,就是有三個端口的穩壓器,一般是輸入電壓,輸出電壓,地三個端口,只需要外圍簡單幾個電容即可,使用簡單方便。
三端穩
關鍵詞:三端穩壓電路 所屬欄目:電子基礎
用萬用表怎樣判斷7812好壞-測量三端穩壓管好壞方法
用萬用表怎樣判斷7812好壞-測量三端穩壓管好壞方法
三端穩壓管的穩壓效果好,外圍元器件很少,使用很方便, 但是在使用過程中如果散熱沒有做好,三端穩壓管很容
關鍵詞:三端穩壓電路 所屬欄目:電子基礎
直流24v轉12v電路圖加自制方法
直流24v轉12v電路圖加自制方法
如圖所示,直流24v轉12v電路圖只不過是一個集成的可調電壓調節器,它可以并聯作用于一組功率晶體管。可以說這些晶體管執行重負荷,而負責
關鍵詞:逆變器穩壓電源DC-DC電路 所屬欄目:逆變器電路圖
基于7806三端穩壓器實現自動燈控制器電路
7806是三端穩壓器,穩壓器,就是使輸出電壓穩定的設備。所有的穩壓器,都利用了相同的技術實現輸出電壓的穩定輸出電壓通過連接到誤差放大器(Error Amplifier)反相輸入端(Inverting I
關鍵詞:三端穩壓電路 所屬欄目:傳感器技術
LM317/LM337正負穩壓擴流電源電路圖(圖文)
LM317/LM337正負穩壓擴流電源電路圖:
關鍵詞: 所屬欄目:電路圖
用三端穩壓LM317制作的甲類功放
用穩壓集成功放制作的功率放大器,對電子愛好者來說,作為開拓思路的一種嘗試不無積極意義。該電路為純甲類工作,又用低噪聲管作電壓放大,所以THD,NF等指標都不錯,輸出功率可達到30W. 電路如圖所示,晶體
關鍵詞:三端穩壓電路穩壓電源穩壓集成電路功放集成電路 所屬欄目:音頻功放電路
制作晶體管靚聲甲類功放電路圖
制作晶體管靚聲甲類功放電路 許多發燒友都樂于制作功放,但多局限于一些單片集成功放如LM1875、LM3886、LM4766、TDA7294等,用這些IC制作的功放其音質要好于市面上一些中、低檔功放,但與一些高檔Hi-Fi功放相比,
關鍵詞:音頻放大器電路圖 所屬欄目:音頻功放電路
15W甲類分立管功率放大器電路圖
這個放大器使用雙20V電壓電源,提供15W的不失真功率在8歐姆負載的時候。Q1 經營在共同的放射器, 輸入信號通過對偏壓管子包括Q8, Q9 、D6 、D13 和D14 。Q8 和Q9 提供恒流偏壓, 產品階段減到最小由分離darlington
關鍵詞:音頻放大器電路圖AV放大器電路 所屬欄目:音頻功放電路
制作20W單端純甲類功放電路圖
20W單端純甲類功放電路圖,電路十分簡單,所用元件很少。符合“簡潔至上”的原則,用料普通,易于仿制。 最近,好友贈送一幅20W單端純甲類功放電路圖,電路十分簡單,所用元件很少。符合“簡潔至上”的原則,用
關鍵詞:音響電路圖 所屬欄目:音頻功放電路
幾種7805三端穩壓集成電路構成的恒流、調光、調壓電路
7805三端穩壓集成電路對于電子愛好者都很熟悉,其優點是外圍元器件少,價格低制作簡單等特點,廣泛用于各種電子電路中來產生5V的穩定電壓。除了7805三端穩壓集成電路制作穩壓電源外,還可以對外圍元器件做一些修改,可以制作成恒流,調光等一些其他應用電路,本文將詳細介紹:
關鍵詞:三端穩壓電路穩壓電路穩壓電源 所屬欄目:電路圖
LM317制作簡易電源電路設計
一、LM317 簡介
LM317是應用最為廣泛的電源集成電路之一,它不僅具有固定式三端穩壓電路的最簡單形式,又具備輸出電壓可調的特點。此外,還具有調壓范圍寬、穩壓性能好、噪聲低、紋波抑制比高等優點。其主要
關鍵詞: 所屬欄目:電路圖
一款ZSSC3170汽車傳感器信號調理電路圖
車用傳感器是汽車計算機系統的輸入裝置,它把汽車運行中各種工況信息,如車速、各種介質的溫度、發動機運轉工況等,轉化成電訊號輸給計算機,以便發動機處于最佳工作狀態。車用傳感器很多,判斷傳感器出現的故障
關鍵詞: 所屬欄目:傳感器技術