
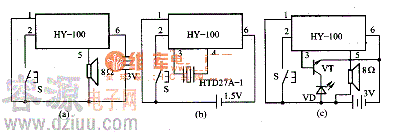
HY-100系列音樂集成電路具有驅動能力大和輸出端運用靈活的特點,其中⑤腳為功率輸出端,能直接驅動揚聲器。它的③、2④腳是前置放大器輸出端,可用于推動壓電蜂鳴器工作或推動半導體-極管。HY-100系列音樂集成電路是一個可以用作門鈴的電路,當用正脈沖觸發②腳觸發端時,它便會自動演奏長約20s的樂曲。
圖所示是HY-100系列音樂集成電路的應用電路,其中圖(a)所示電路是直接驅動揚聲器的一種門鈴電路,只要按動按鈕開關S,便可觸發電路工作。圖(b)所示電路是用壓電陶瓷片作為發聲元件的門鈴電路,由于壓電陶瓷片推動電壓低,沒有必要使用電路的功放級,故將壓電蜂鳴器接在了IC的③、④腳。圖(c)所示電路是同時驅動揚聲器和發光二極管的音樂門鈴電路,發光二極管VD可隨音樂旋律發光。

HY-100系列音樂集成電路的應用電路
本文地址:http://www.flswjt.cn/gongfangdianlu/y/15712936103286.shtml
本文標簽:
猜你感興趣:
PL5358 單電池鋰離子/聚合物電池保護集成電路
關鍵詞: 所屬欄目:元器件知識
PL5353A 單電池鋰離子/聚合物電池保護集成電路
關鍵詞: 所屬欄目:元器件知識
1V升壓5V和1.5V升壓5V的集成電路芯片
1.5V和1V輸入,要升壓輸出5V的集成電路芯片合適?
干電池標準電壓是1.5V,放電電壓后面在0.9V-1V左右,如果要選用干電池1.5V升壓到5V的合適的芯片,需要滿足低壓1V或
關鍵詞: 所屬欄目:元器件知識
1.5V升壓3V集成電路升壓芯片-PW5100
干電池1.5V升壓3V的升壓芯片,適用于干電池升壓產品輸出3V供電
1.5V輸入時,輸出3V,電流可達500MA。
PW5100是一款效率大、10uA低功耗
PW5100輸入電壓:0.7V-5V
PW51
關鍵詞: 所屬欄目:元器件知識
勒夫邁|灰塵傳感器可監測集成電路生產過程中接觸到的污
隨著科學技術的發展,許多工業產品的生產加工對生產環境的無塵車間工程中含塵濃度提出高的要求,這就需要其生產環境中具有一定的空氣潔凈等級和控制生產過程所需各類相關物質的供應質量。例如,在膠片生產中,膠片若受到了塵埃的污染,將會發生乳劑氧化,活性減弱,pH值變化等,從而影響膠片的感光性能。下面帶大家了解一下灰塵傳感器用于半導體集成電路生產潔凈室中的解決方案。
關鍵詞: 所屬欄目:傳感器技術
推出SC6138A現貨音樂播放音效處理無線推送
SC6138A 是一顆高集成度,專注于無線音樂、音頻編解碼、音效處理的 SoC 芯片。它集成了 APU 單元,專門來 處理音頻相關的算法,同時還將音頻 DAC/ADC、音頻接口、USB/SD/以
關鍵詞: 所屬欄目:集成塊資料
兩種無按鈕音樂門鈴電路圖
兩種無按鈕音樂門鈴電路圖 如圖為兩種無按鈕音樂門鈴電路圖。圖1為振動式。當有人用手敲門時,安裝在門內側的壓電陶瓷片YD受到振動而產生相應的音頻電壓,使復合管開關BG1和BG2導通,音樂電路CIC受到觸發即演奏一
關鍵詞: 所屬欄目:音頻功放電路
簡易HY-100音樂集成電路
HY-100系列音樂集成電路是一種大規模CMOS集成電路。該電路將包括前置放大器和功率放大器在內的所有電路用CMOS技術集成在一塊25mm*15mm的印制電路板上,在芯片上已焊接有一個68K的電阻,如上圖所示。 :
關鍵詞: 所屬欄目:音頻功放電路
音樂門鈴電路設計
CIC2851AE是目前應用較為普遍的單曲音樂IC,它采用塑料封裝單列直插式,共有9個輸出腳,缺角處為第1腳。晶體管BG在這里起音頻功效放大作用,BG最好采用集電極耗散功率大于300mW的硅NPN型三極管,如3DX201、3DG12、
關鍵詞: 所屬欄目:音頻功放電路
高保真功放集成電路sTK6153組成的2×100W功放電路示意
如圖所示是2×100W雙聲道功率放大器,該電路采用了一塊雙聲道高保真前置放大集成電路sTK3048A和兩塊高保真功放集成電路sTK6153及外圍元器件組成。sTK3048A內部包含兩組獨立的前置激勵運放,具有極低的失真和足夠
關鍵詞: 所屬欄目:音頻功放電路
555集成電路引腳圖管腳圖
555集成定時器是模擬功能和數字邏輯功能相結合的一種雙極型中規模集成器件。外加電阻、電容可以組成性能穩定而精確的多諧振蕩器、單穩電路、施密特觸發器等,應用十分廣泛。555集成電路引腳圖管腳圖 :
關鍵詞: 所屬欄目:音頻功放電路
在音樂演奏過程中定時循環的電路圖
音樂表演是音樂的再創作活動。通過樂器的演奏,人聲的歌唱,以及包括指揮在內的多種藝術手段,將樂曲用具體可感的音響表現出來,傳達給聽眾,以發揮其社會功能。它是音樂創作與音樂欣賞的中介,是音樂活動中不可
關鍵詞: 所屬欄目:音頻功放電路
電子語音錄放模塊電路圖
電子語音錄放模塊是一種語音錄放集成電路,它是以語音處理器為核心電路而發展起來的一種新型語音電路。它使用方便,可直接用揚聲器和話筒作為錄音和放音的元件,有的模塊甚至只用揚聲器便可進行錄音及放音。電路
關鍵詞: 所屬欄目:音頻功放電路
HY061和HY121可編程音集成電路圖
一次性可編程語音集成路是應用自適應脈碼調制語音合成技術的超大規模CMOS集成電路。現以HY061和HY121電路為例,簡要對它的電路原理進行介紹。 HY061和HY121屬于同一類型集成電路,圖是其電路原理框圖。該電路
關鍵詞: 所屬欄目:音頻功放電路
語音臺成集成電路圖
這類語音集成電路將語音信號處理后,以數字碼形式存儲在只讀存儲器(ROM)中。存儲器ROM分為兩種:一種是掩膜式ROM,這種ROM在工廠中生產時,已用掩膜技術將信息輸入,不能再更改;另一種稱為EPROM,是"一種可擦除式
關鍵詞: 所屬欄目:音頻功放電路
CW9561摸擬聲集成電路圖
CW9561模擬聲集成電路是一種能發出警報聲、汽笛聲、警車聲及機槍聲的集成電路,它的典型應用電路如圖所示。在圖(a)所示電路中,當開關S2分別置于A、B、C位置,電路可分別發出報警聲、汽笛聲和警車聲;當S1開關閉
關鍵詞: 所屬欄目:音頻功放電路
CIC481系列音樂集成電路圖
CIC481系列音樂集成電路是一種包含多首具有鋼琴、風琴、曼陀林三種效果歌曲的集成電路。其中CIC481內含8首樂曲CIC482內含12首樂曲,CIC483內含10首樂曲。樂曲可以單循環或連續地回放。CIC481系列產品采用16腳雙
關鍵詞: 所屬欄目:音頻功放電路
CIC2850/CIC3830系列音樂集成電路圖
CIC2850/CIC3830系列音樂集成電路是單樂曲發生器,它們的外弓線排列及封裝形式為9腳單排直插式塑封,其引腳功能見表,該系列產品輸出樂曲名見表。 CIC2850/CIC3830系列音樂集成電路引腳功能 CIC2850/CIC3
關鍵詞: 所屬欄目:音頻功放電路
HY系列音樂集成電路圖
HY系列音樂集成電路受觸發后立即會輸出音樂信號,奏鳴時間為20s。該系列產品外圍元件少,耗電省,且應用靈活,適用于門鈴、玩具、各種呼叫及報警裝置。該系列產品型號較多,下面僅介紹其中的一部分型號。 (1
關鍵詞: 所屬欄目:音頻功放電路
音樂集成電路的結構及基本工作原理電路圖
音樂集成電路有許多系列,且在控制功能上也各不相同,但它們的基本電路結構和工作原理大都是相同的。 音樂集成電路的內部電路結構如圖所示,它由控制電路、振蕩電路、存儲器(ROM)、節拍發生器、音階發生器、
關鍵詞: 所屬欄目:音頻功放電路