Here are a variety of electrical appliances remotely using RF signals in the circuit, the large ones for the 4-way remote control when necessary can also be extended to 12 Road. It uses telephone in the DTMF (dual tone multi-frequency) signal is used to control code ? modulation carrier frequency of around 100MHz, and then send the antenna. FM receiver with the receiving circuit into a DTMF signal to demodulate the signal, this signal is connected to the DTMF / BCD converter transforms into a BCD output is used to control the 4-way electrical appliances connected with the turn-off.
本文介紹互一款無線遙控電路, 文章轉載電子報網。
這里介紹利用射頻信號遙控各種電器的電路,遙控的路數為4路,需要時也可擴大至12路。它利用電話機中的DTMF(雙音多頻)信號作控制代碼?用來調制100MHz左右的載頻,再用天線送出。接收電路用調頻接收機將信號解調成DTMF信號,此信號又連接至DTMF/BCD變換器變換成BCD輸出,用來控制4路電器的接通與關斷。
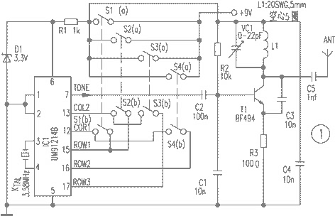
遙控發射器(見圖1)由DTMF發生器和調頻發送器電路組成。這里采用一塊UM91214B電話機專用IC來產生DTMF信號,其3V電源電壓由9V電池經3V齊納管D1供給。電路采用3.58MHz晶體作時基電路,IC1的{12}、{15}腳分別為第一列腳和第一行腳,它們通過開關S1(b)短路連通,這時{7}腳輸出的DTMF信號(音)相當于電話機1號鍵送出的雙音多頻信號。同理,{13}、{16}、{17}分別為第二列腳和第二、第三行腳,在{13}{15}、{13}{17}、{12}{16}分別用S2(b)、S3(b)和S4(b)短路時,{7}腳輸出的信號相當于電話機2號、4號和8號鍵送出的雙音多頻信號。IC1的其余各腳照原樣使用不變。
發送器電路由晶體管T1及其外圍電路組成,其中調諧電路L1和VC1調諧在100MHz載頻附近,天線用鞭狀天線,長10cm~15cm,控制范圍就相當不錯了。DTMF信號從IC1的{7}腳送入T1的基極,再由天線ANT向外發射。
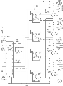
接收部分(見圖2)由FM接收機的DTMF/BCD變換芯片IC2以及一組4個觸發鎖存電路IC3、IC4組成。調頻DTMF信號先在FM接收機解調后用IC2變換成BCD信號。此時數碼“1”為0001,數碼“4”為0100……等,IC2也用3.58MHz晶體來工作。BCD信號分別從{11}~{14}腳送至4只D觸發鎖存器,這4只D觸發器由兩塊雙D觸發器芯片(CD4013B)提供,“1”、“2”、“4”、“8”號鍵中任一開關按下時,相應于該號鍵的一路D觸發器的時鐘輸入端便有信號送入,使該D觸發器的輸出狀態翻轉,從而驅動相關的晶體管和相應的繼電器作吸合和釋放動作,進而使該繼電器控制的電器接通或關斷。
由于UM91214B共可產生12種DTMF信號,因此只要簡單地增加發送器電路中的控制按鍵數目及在接收部分的IC2和D觸發器之間增加一塊4/16線路變換器,同時將D觸發器相應增加至12只,便可控制12種電器的通斷。


容-源-電-子-網-為你提供技術支持
本文地址:http://www.flswjt.cn/dz/26/20091129212949.shtml
本文標簽:
猜你感興趣:
音響音量簡單遙控電路及原理
Y為與發射器配對的接收模塊,S為四位無線遙控發射器。Y的各輸出端經BG1~BG5放大后,將四路互鎖存數據控制輸出端信號轉換成非鎖存形式,并通過繼電器J1~J4對電機M1、M2進行正反控制。M1控制
RF遙控器的簡易設計與應用
由于高度集成的單芯片RF解決方案的出現,設計射頻(RF)遙控器從未如此簡單。片上系統(SoC)發送器解決方案,例如Silicon Labs的Si4010單芯片遠程控制集成電路(IC),大大
RF遙控器的簡易設計與應用
由于高度集成的單芯片RF解決方案的出現,設計射頻(RF)遙控器從未如此簡單。片上系統(SoC)發送器解決方案,例如Silicon Labs的Si4010單芯片遠程控制集成電路(IC),大大
IC4069簡易紅外遙控開關電路圖
4069簡易紅外遙控開關電路圖。現在家庭中TV、VCD、VCR等紅外遙控發射器擁有量較普遍,本電路針對它們的性能而構思,使遙控發射器發揮另一用途:發射紅外信號,控制照明燈具,其控制距離
簡易遙控開關電路圖大全
無
遙控器簡單檢測技巧
無
紅外遙控系統原理及單片機解碼實例
無
給電腦增加遙控開機DIY
無
分立器件制作紅外遙控開關
無
應用AT89C2051單片機控制的光電遙控開關電路圖
無
一款遙控車電路圖(接收、發射)
無
介紹紅外燈遙控開關電路圖
無
自制一路紅外遙控開關
無
555自制無線遙控器電路圖
無
LM567制作紅外線遙控開關電路圖
無
推薦:6m無線遙控開關電路
無
555占空比無線遙控器電路圖
無
200米遙控電路圖
無
介紹遙控玩具車電路圖
無
制作簡單無線遙控發射、接收頭
無