近日,有媒體報道稱,北京微電子技術研究所日前成功研制出國內首個自主可控的宇航用千萬門級高性能高可靠FPGA(現場可編程門陣列)芯片。
FPGA一直是國內的短板,市場基本被國外壟斷。據統計,2017年國內超過100億元的FPGA市場中,國產市占率僅為4%。目前,全球FPGA市場基本被四大巨頭壟斷:Xilinx(賽靈思)、Intel(英特爾,此前收購了Altera)、Lattice(萊迪思)、Microsemi(美高森美)。國內FPGA廠商有高云半導體、京微齊力、上海安路、紫光同創、AGM和上海復旦微等。

:紫光同創
隨著消費電子和通信等終端設備需求總量的增長,人工智能、大數據、云計算、智能汽車以及物聯網邊緣計算的發展,對FPGA的需求也將大增。相比于CPU、GPU,FPGA并不廣為大眾所熟知。接下來我們也為您簡單介紹下這一“萬能芯片”。
什么是FPGA?
FPGA是英文Field Programmable Gate Array的縮寫,即現場可編程門陣列,它是在PAL、GAL、EPLD等可編程器件的基礎上進一步發展的產物。它是作為專用集成電路(ASIC)領域中的一種半定制電路而出現的,既解決了定制電路的不足,又克服了原有可編程器件門電路數有限的缺點。
FPGA利用小型查找表(16×1RAM)來實現組合邏輯,每個查找表連接到一個D觸發器的輸入端,觸發器再來驅動其他邏輯電路或驅動I/O,由此構成了既可實現組合邏輯功能又可實現時序邏輯功能的基本邏輯單元模塊,這些模塊間利用金屬連線互相連接或連接到I/O模塊。
FPGA的邏輯是通過向內部靜態存儲單元加載編程數據來實現的,存儲在存儲器單元中的值決定了邏輯單元的邏輯功能以及各模塊之間或模塊與I/O間的聯接方式,并最終決定了FPGA所能實現的功能,FPGA允許無限次的編程。
FPGA的特點
1.采用FPGA設計ASIC電路(專用集成電路),用戶不需要投片生產,就能得到合用的芯片。
2.FPGA可做其它全定制或半定制ASIC電路的中試樣片。
3.FPGA內部有豐富的觸發器和I/O引腳。
4.FPGA是ASIC電路中設計周期最短、開發費用最低、風險最小的器件之一。
5.FPGA采用高速CMOS工藝,功耗低,可以與CMOS、TTL電平兼容。
FPGA編程技術
目前,市場上有三種基本的FPGA編程技術:SRAM、反熔絲、Flash。其中,SRAM是迄今為止應用范圍最廣的架構,主要因為它速度快且具有可重編程能力,而反熔絲FPGA只具有一次可編程能力。基于Flash的FPGA是比較新的技術,也能提供可重編程功能。
基于SRAM的FPGA器件經常帶來一些其他的成本,包括啟動PROMS支持安全和保密應用的備用電池等。基于Flash和反熔絲的FPGA沒有這些隱含成本,因此可保證較低的總系統成本。
1.基于SRAM的FPGA
這類產品是基于SRAM結構的可再配置型器件,通電時要將配置數據讀入片內SRAM中,配置完成就可進入工作狀態。斷電后SRAM中的配置數據丟失,FPGA內部邏輯關機也隨之消失,這種基于SRAM的FPGA可反復使用。
2.反熔絲FPGA
采用反熔絲編程技術的FPGA內部具有反熔絲陣列開關結構,其邏輯功能的定義由專用編程器根據設計實現所給出的數據文件,對其內部反熔絲真累進行燒錄,從而使器件實現相應的邏輯功能。
這種器件的缺點是只能一次性編程,有點是具有高抗干擾性和低功耗,適合于要求高可靠性、高保密性的定型產品。
3.基于Flash的FPGA
在這類FPGA器件中集成了SRAM和非易失性EEPROM兩類存儲結構。其中SRAM用于在器件正常工作時對系統進行控制,而EEPROM則用來裝載SRAM。由于這類FPGA將EEPROM集成在基于SRAM工藝的現場可編輯器件中,因而可以充分發揮EEPROM的非易失性和SRAM的重配置性。
斷電后,配置信息保存在片內的EEPROM重,因此不需要片外的配置芯片,有助于降低系統成本、提高設計的安全性。
FPGA芯片結構
FPGA芯片主要由三部分組成,分別是IOE(inputoutputelement,輸入輸出單元)、LAB(logicarrayblock,邏輯陣列塊,對于Xilinx稱之為可配置邏輯塊CLB)和Interconnect(內部連接線)。
1.IOE
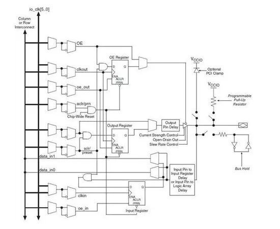
IOE是芯片與外部電路的物理接口,主要完成不同電氣特性下輸入/輸出信號的驅動與匹配要求,比如從基本的LVTTL/LVCMOS接口到PCI/LVDS/RSDS甚至各種各樣的差分接口,從5V兼容到3.3V/2.5V/1.8V/1.5V的電平接口,下面是ALTERA公司的CycloneIVEP4CE115F29設備的IOE結構。

FPGA的IOE按組分類,每組都能夠獨立地支持不同的I/O標準,通過軟件的靈活配置,可匹配不同的電器標準與IO物理特性,而且可以調整驅動電流的大小,可以改變上/下拉電阻,CycloneIV設備有8個IOblank(組),見下圖:

2.LAB
LAB是FPGA的基本邏輯單元,其實際的數量和特性依據所采用的器件的不同而不同,EP4CE115F29設備的每個LAB的布局包括16個LE、LAB控制信號、LEcarrychains、Registerchains和Localinterconnect,其LAB結構圖如下:

LE是CycloneIV設備最小的邏輯單元,每個LE主要有LUT和寄存器組成的。

查找表LUT(Look-Up-Table)其本質是一個靜態存儲器SRAM,目前FPGA多采用4輸入的LUT,每個LUT可以看作一個有4位地址線的16x1的RAM。當我們通過原理圖或HDL語言描述了一個邏輯電路后,FPGA開發軟件會自動計算邏輯電路的所有可能的結果,并把結果事先寫入RAM。
這樣,在FPGA工作時,每輸入一個信號進行邏輯運算就等于輸入一個地址進行查表,找出地址對應的內容,然后輸出。

3.Interconnect
FPGA內部連接線很豐富,根據數據手冊的描述,主要有Rowinterconnect、columninterconnect、Directlinkinterconnect、Localinterconnect和Registerchaininterconnect(寄存器之間連接的連接線)。
內部連接線聯通FPGA內部的所有單元,而連線的長度和工藝決定著信號再連接線上的驅動能力和傳輸速度。在實際開發中,設計者不需要直接選擇連接線,布局布線器可自動地根據輸入邏輯網表(這由綜合生成)的拓撲結構和約束條件選擇連接線來連通各個邏輯單元,所以,從本質上來說,布線資源的使用方法和設計的結果有密切和直接、直接的關系。容-源-電-子-網-為你提供技術支持
本文地址:http://www.flswjt.cn/dz/22/15486810413124.shtml
本文標簽:
猜你感興趣:
分享 | 可編程晶振芯片幾個知識點
什么是可編程晶振?可編程晶振多為有源晶振,由兩個芯片組成;一個是全硅MEMS諧振器,一個是具有溫補功能的芯片,可以啟動電路鎖相環CMOS。它采用標準化的半導體芯片MCM封裝。可以采用全自動標準半導體制造工藝
關鍵詞: 所屬欄目:電子基礎
工業相機解決方案:低功耗16位數模轉換芯片+負壓線性穩
在工業相機行業中,石英可編程晶振扮演著至關重要的角色。為了滿足不同應用需求,YXC引入了低抖動石英可編程晶振QMEMS振蕩器YSO690PR,為工業相機的穩定運行提供了理想解決方案。
關鍵詞: 所屬欄目:電子基礎
PL2733A 寬范圍同步降壓控制器
關鍵詞: 所屬欄目:元器件知識
PL5358 單電池鋰離子/聚合物電池保護集成電路
關鍵詞: 所屬欄目:元器件知識
PL2303 PFM升壓 DC-DC 變換器
關鍵詞: 所屬欄目:元器件知識
PL5900A 1.2A同步降壓調節器
關鍵詞: 所屬欄目:元器件知識
PS7516 2.5A高效同步PWM增壓轉換器
關鍵詞: 所屬欄目:元器件知識
PL7501C 雙節鋰電池充電管理芯片
關鍵詞: 所屬欄目:元器件知識
PL7501CL 雙節鋰電池充電管理芯片
關鍵詞: 所屬欄目:元器件知識
PS7526 高效 DC-DC 同步整流升壓轉換器
關鍵詞: 所屬欄目:元器件知識
PL7512A 非同步的PWM提升轉換器
關鍵詞: 所屬欄目:元器件知識
FP6396 1.2A同步降壓轉換器
關鍵詞: 所屬欄目:元器件知識
FP6378A 2A同步降壓調節器
關鍵詞: 所屬欄目:元器件知識
FR9608 3A同步降壓DC/DC轉換器
關鍵詞: 所屬欄目:元器件知識
JD6621 快速充電協議,USB-PD 3.0與PPS控制器
關鍵詞: 所屬欄目:元器件知識
FR9811 2A同步降壓DC/DC轉換器
關鍵詞: 所屬欄目:元器件知識
FP6601AA USB Type-A 快速充電協議控制器
關鍵詞: 所屬欄目:元器件知識
FP6606C USB類型-C和PD充電控制器
關鍵詞: 所屬欄目:元器件知識
FP6381A 高效1.5MHz 1.2A同步降壓變頻器
關鍵詞: 所屬欄目:元器件知識
FP6715 5V、2.5A、550 KHz高效低波紋同步升壓轉換器
關鍵詞: 所屬欄目:元器件知識