壓敏電阻器主要用于限制有害的大氣過電壓和操作過電壓,能有效地保護系統或設備。用氧化鋅壓敏材料制成高壓絕緣子,既有絕緣作用,又能實現瞬態過電壓保護。此外,壓敏電阻器在電子電路中可用于消火花、消噪音、穩壓和函數變換等。壓敏電阻器在電路中通常并接在被保護電器的輸入端。

本文地址:http://www.flswjt.cn/cgq/15464799142995.shtml
本文標簽:
猜你感興趣:
PL5358 單電池鋰離子/聚合物電池保護集成電路
關鍵詞: 所屬欄目:元器件知識
PL7152 雙節可充電鋰電池保護電路
關鍵詞: 所屬欄目:元器件知識
PL5353A 單電池鋰離子/聚合物電池保護集成電路
關鍵詞: 所屬欄目:元器件知識
PL7022/B 雙節可充電鋰電池保護電路
關鍵詞: 所屬欄目:元器件知識
PW2606過壓保護芯片,高輸入電壓(OVP)
PW2606是一種前端過電壓和過電流保護裝置。它實現了廣泛的輸入電壓范圍從2.5V到40V。過電壓閾值可在外部編程或設置為內部默認設置。集成功率路徑nFET開關的超低電阻確保了更
關鍵詞: 所屬欄目:元器件知識
PW2606過壓保護IC,前端過電壓和過電流保護裝置
過壓保護IC適用的型號為PW2606。
PW2606是一種前端過電壓和過電流保護裝置。它實現了從2.5V到40V的寬輸入電壓范圍。過電壓閾值可以外部編程或設置為內部默認設
關鍵詞: 所屬欄目:元器件知識
使用555制作全自動電冰箱保護器電路
使用555制作全自動電冰箱保護器電路
當交流電網電壓超過正常值240V時,RP1取樣電壓增高,VD10擊穿,VT導通,其集電極輸出低電平,VD7導通,使IC的觸發端2腳處于低電平
關鍵詞: 所屬欄目:其他文章
NE555制作過壓過流保護電路及原理圖
NE555制作過壓過流保護電路及原理圖 當電源供給電壓或負載吸取的電流太大時,下圖電路可斷開負載給出故障指示。正常工作時,Tr1和Tr2均截至,555復位,555中的放電晶體管
關鍵詞:過壓保護電路過流保護電路 所屬欄目:電子基礎
自制:直流最簡單過流保護電路圖
直流最簡單過流保護電路圖在很在電子電路中,都要加保護電路,常用電路有過壓保護、過流保護、漏電保護等,下面介紹一款最簡單過流保護電路,對于要求不高的場合可以使用,
關鍵詞:過流保護電路 所屬欄目:電子基礎
采用TL431的揚聲器保護電路
TL431是一種并聯穩壓集成電路。因其性能好、價格低,因此廣泛應用在各種電源電路中。其封裝形式與塑封三極管9013等相同。 德州儀器公司(TI )生產的TL431是一個有良好的熱穩定性能的三端可調分流基準源。他
關鍵詞: 所屬欄目:音頻功放電路
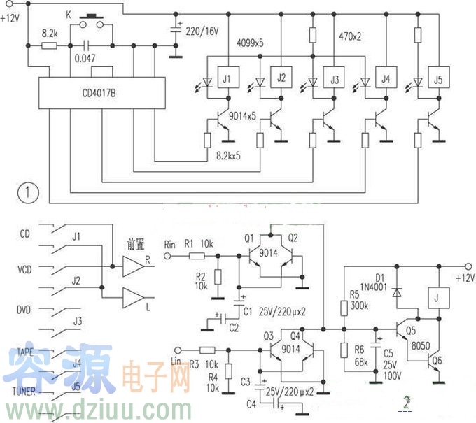
CD4017B音源輸入和喇叭保護電路圖原理
音源輸入電路和喇叭保護電路,其原理簡介如下: CD4017以及其外圍電路組成音源切換電路,開關K是轉換按鈕,每按一下CD4017相應的某個腳將輸出高電平,使與這個腳連接的三極管導通,連接在該三極管的繼電器獲
關鍵詞: 所屬欄目:音頻功放電路
冰箱電源保護電路
冰箱電源保護電路
工作原理:
在電源變壓器中,由整流橋VD1〜fM Ct充電的220V電壓為電源電壓控制電路的第一次+ 1ZV。由于G上沒有電荷,VT2斷開,A點處于高電位。VT
關鍵詞:過壓保護電路 所屬欄目:其他文章
功放揚聲器的保護電路圖
該電路以Q4、Q5為中心,組成了直流電壓取樣檢測電路。圖中的Q1、Q2等系右聲道功率輸出電路(左聲道功率輸出電路圖中未畫出)。右聲道的直流電壓取樣信號經由R6(左聲道取樣信號經由R21)衰減、隔離,C2、C3濾波
關鍵詞: 所屬欄目:音頻功放電路
特簡單低成本喇叭保護電路
特簡單低成本喇叭保護電路;在音箱系統中,功放系統很重要,但喇叭保護電路也很重要,喇叭保護電路可以有效保護喇叭不會被燒壞。下面詳細介紹特簡單低成本喇叭保護電路
關鍵詞: 所屬欄目:音頻功放電路
555制作汽車音響揚聲器保護電路原理圖
揚聲器保護電路如圖1所示。主要由中點電位檢測電路、延時電路及繼電器等組成。電路工作過程是: 在接通音響電源的瞬間,因電容C3兩端電壓不能突變,可視為短路,則時基電路555的②、⑥腳電位高于2/3 Vcc,故
關鍵詞: 所屬欄目:音頻功放電路
DS7188AV構成功放保護電路原理圖
工作原理:末級電流過流檢測:檢測點在末級電流放大管00、01發射極電阻。當發射極過流使電壓達到1.3V時,即負載電流1.3÷0.68=1.9A時,檢測管Q150導通,Q152導通。Q153截止。 CPU(W78E5B—40)(20)腳高電位。
關鍵詞: 所屬欄目:音頻功放電路
帶25歐喇叭保護電路原理圖
過載保護電路功率為650mW,電源電壓12V,揚聲器Ω。 部份元件規格: VT1:晶體管NB111EH/J VT2:晶體管NR001E VT3:晶體管NA11EB/J VT4:晶體管NAQWEB/J :
關鍵詞: 所屬欄目:音頻功放電路
漏電保護器原理圖
漏電保護器原理圖 漏電保護器內部裝有零序互感器,隨時監測火線與零線的電流,正常情況下,電流從火線流到零線,兩根電線的電流應該是相等的,在零序互感器上感應出的磁
關鍵詞:漏電保護電路 所屬欄目:電子基礎
IGBT過流保護技術示例介紹
工業電機驅動器的整體市場趨勢是對更高效率,可靠性和穩定性的不斷增長的需求。 功率半導體器件制造商繼續尋求傳導損耗和開關時間的突破。 增加絕緣柵雙極晶體管(IGBT)傳導損耗的一些權衡因素是:更高的短路電流水平,更小的芯片尺寸,更低的熱容量和短路耐受時間。 這突出了柵極驅動器電路和過流檢測和保護的重要性。 本文討論了現代工業電機驅動器中短路保護的成功和可靠實施。
關鍵詞:過流保護電路 所屬欄目:元器件知識
用于電流檢測放大器的差分過壓保護電路
對于電機控制或電磁控制應用中使用的許多電氣系統來說,惡劣的環境是現實的。控制電動機和螺線管的電子設備必須非常靠近用于產生最終應用所需的物理運動的高電流和高電壓。
關鍵詞:過流保護電路 所屬欄目:設計編程